8DD 355 113-721 HELLA PAGID Тормозной диск

8DD 355 113-721 HELLA PAGID Тормозной диск
Производитель: HELLA PAGID
Артикул: 8DD 355 113-721
   - ИЛИ -   

8DD 355 113-721 HELLA PAGID Тормозной диск


Тип тормозного диска NULL
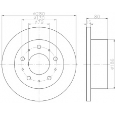
Диаметр [мм] 280
Толщина тормозного диска (мм) 16
Минимальная толщина [мм] 14,2
Высота [мм] 80
Расположение/число отверстий 05/10
? фаски 2 [мм] 130
Диаметр центрирования [мм] 79
? отверстия болт крепления колеса [мм] 17,5
Вес [кг] 7,100
Дополнительный артикул / дополнительная информация 2 NULL
Дополнительный артикул / дополнительная информация 2 NULL
Номер технической информации 54575

Оставить отзыв

Ваше Имя:


Ваш Отзыв: Примечание: HTML не поддерживается!

Рейтинг: Плохо            Хорошо

Введите код указанный ниже:



Тэги: ,

JAPANCARS.RU
JapanCars.ru - Нальчик © 2025